暖风电阻的工作原理_igbt改电阻法的工作原理和控制方法
igbt改电阻法的工作原理和控制方法

JPG,498x294,234KB,424_250
该复位电路的工作原理如下:在系统上电时,通过电阻r42向电容c55充电,当c55两端的电压未达到高电平的门限电压时,notgate端输出为低电平,系统处于复位状态;当c55两端的电压达到高电平的门限电压时,notgate端输出为高电平,系统进入正常工作状态
JPG,551x294,231KB,470_250
电阻和电抗的区别 和工作原理

JPG,621x501,191KB,311_250
电阻器的工作原理是怎样的

JPG,402x249,234KB,404_250
光敏电阻的工作原理

JPG,700x272,234KB,644_250
接地电阻测量仪的工作原理

JPG,500x667,128KB,500_667
不锈钢电阻器工作原理

JPG,378x375,234KB,257_254
电阻式触控屏工作原理

JPG,714x341,234KB,525_250
湿敏电阻的工作原理及其用法应用

JPG,300x246,134KB,304_250
光敏电阻工作原理图

JPG,640x468,231KB,342_249
光敏电阻工作原理_ 内光电效应,光敏电阻工作原理是基于它的.

JPG,700x440,231KB,398_250
接地电阻测量仪的工作原理

JPG,353x375,7KB,249_266
电阻屏工作原理图

JPG,366x154,234KB,594_250
图甲是家用电吹风的工作原理图,电吹风工作时可以吹出热风也可以吹出凉风. l 电热丝在工作时的电阻是

JPG,258x256,234KB,256_255
电阻分压电路的工作原理

JPG,456x389,234KB,293_249
贴片压敏电阻的作用和的工作原理

JPG,879x557,234KB,395_250
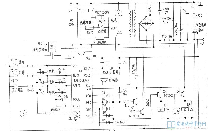
ptc暖风机电路工作原理与维修

JPG,610x256,234KB,598_250
磁敏电阻工作原理及特性 磁敏电阻的电路符号与应用

JPG,650x458,234KB,355_250
指针式绝缘电阻表的结构与工作原理

JPG,262x220,231KB,297_250
电阻式触摸屏组成结构及工作原理