计算机组成原理微程序是什么_幸福是什么图片
原理图集原理 2025-02-10 17:27
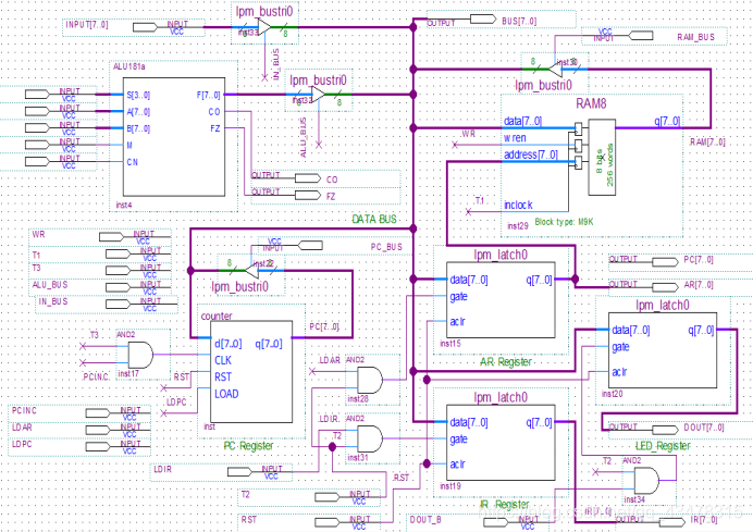
计算机组成原理实验 微程序控制实验
计算机组成原理实验 微程序控制实验
计算机组成原理实验 微程序控制实验
计算机组成原理实验 微程序控制实验
计算机组成原理实验4微程序控制实验
计算机组成原理实验 微程序控制实验
计算机组成原理实验 微程序控制实验
2022年考研计算机组成原理 5 中央处理器
计算机组成原理 第十章 控制单元的设计
计算机组成原理实验4微程序控制实验
开篇词 为什么你需要学习计算机组成原理
计算机组成原理 四 计算机的层次结构
计算机组成原理
计算机组成原理 指令系统
计算机组成原理 Chaper1笔记
重学计算机组成原理 五 旋转跳跃 的指令实现
计算机组成原理 导学
计算机组成原理大纲
计算机组成原理第5章 中央处理器
2022年考研计算机组成原理 6 总线
计算机组成原理 存储器 上



















