原理图和电路图有什么区别_卧蚕和眼袋有什么区别(2)
原理图集原理 2025-02-12 20:34
开关柜二次回路,图文解析
二极管组件的不同结构类型以及性能特点
应急灯怎么使用 应急照明灯十大品牌介绍
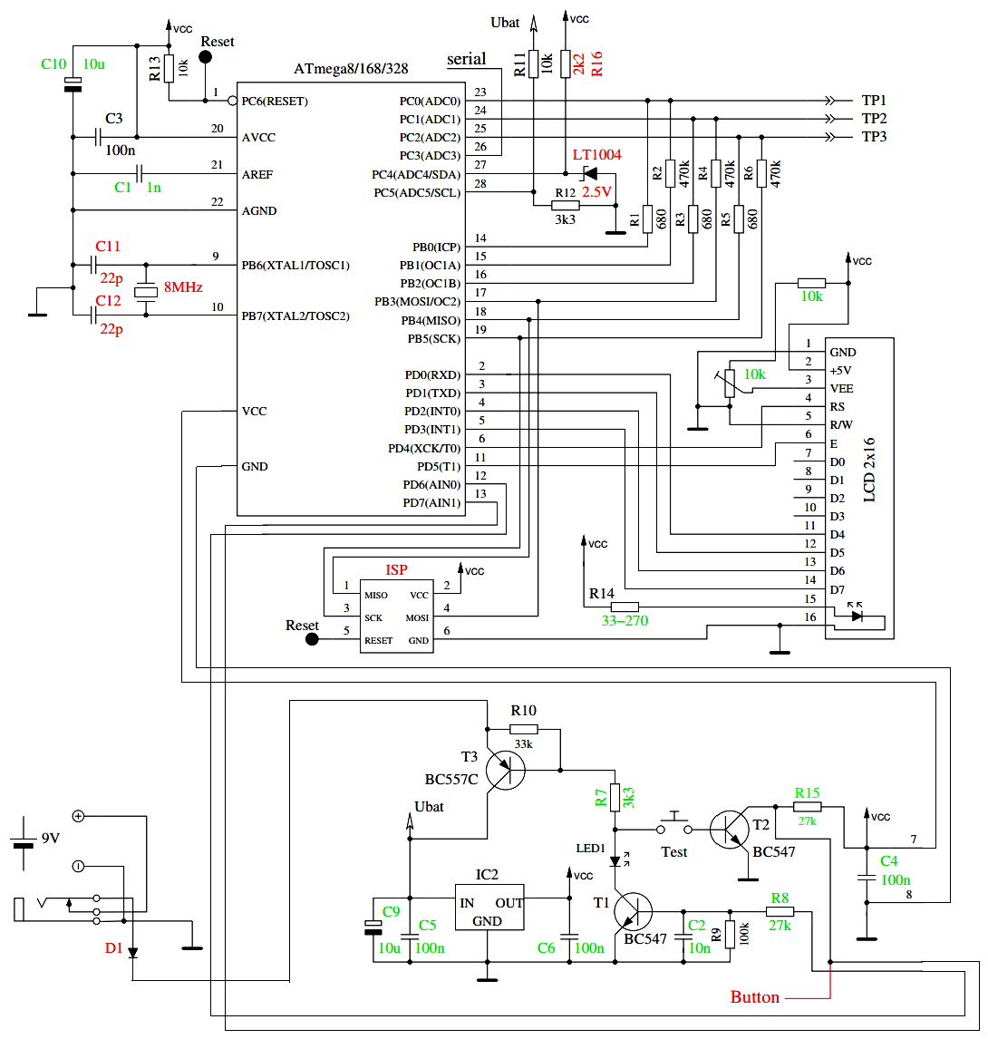
请求各位大神,我画的电路原理图有哪些不合理的地方,求指教
基础电路
如何让电动机启动控制回路 四种常见电动机控制回路详解
自动判别小功率三极管管脚管型的电路设计
项目五 手机电路原理图识图
电子小帮手电路中的设计原理
一文看懂电子电路图
变频器在高速公路上的应用
锁相稳速切换电路
高精度电子开关电源电路
家用开关电源电路图分析













