八路抢答器的复位功能是什么原理(2)
原理图集原理 2025-02-28 14:31
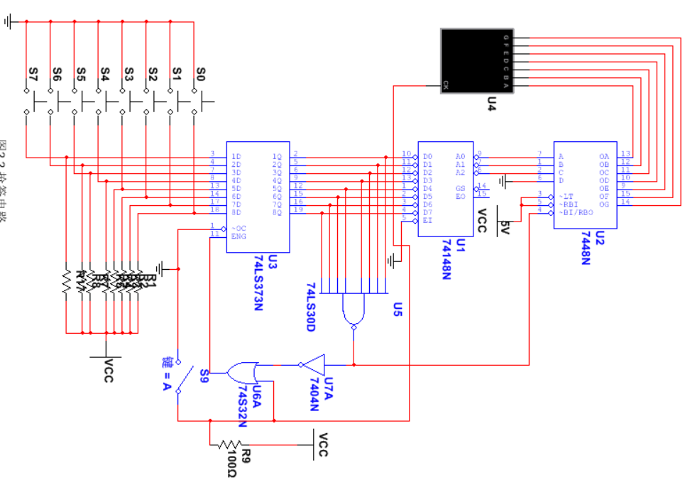
数电设计 八路抢答器
急求八路抢答器的原理图
51单片机八路智力抢答器的设计与制作 电路原理图 仿真图程序
74ls148做八路抢答器
使用51单片机设计八路数字抢答器的详细资料说明
八路数字抢答器的设计 数字电路
如何设计并制作一个简易八路抢答器制作
带语音报数功能的抢答器电路
51单片机八路智能抢答器设计思路
急求1位数码管显示的8路抢答器的原理图及程序 应用单片机原理
文章 基于单片机八路竞赛抢答器
请教下如何写PLC八路抢答器的论文
基于单片机的八路抢答器设计论文 带英文介绍与汇编语言源码
基于单片机的八路抢答器设计论文 带英文介绍与汇编语言源码












