变压器原理看什么书_变压器工作原理
原理图集原理 2025-03-02 23:04
6小时精通反激电源和变压器设计的学习课件免费下载
用了隔离变压器就安全了吗
变压器与电感器设计手册第三版PDF电子书免费下载
一文了解电子变压器原理及优缺点
电厂锅炉原理及设备的基本信息
变压器原理与应用 陈宗穆编 1987版 pdf Powered by Discuz
线切割电气原理 一书使用技巧
酒店休闲区别墅庭院园林景观水中火欧壁火真火采暖壁炉伏羲燃气壁炉安装教程产品中英文使用说明书电气原理图技术参数
请问一下高中物理课本变压器原理是怎样说的
线切割电气原理 一书使用技巧
建筑电气设备知识及招标要素系列丛书 10 35 04kV变压器知识及招标要素
喷砂除尘设备价格 喷砂除尘设备批发 喷砂除尘设备厂家 Hc360慧聪网
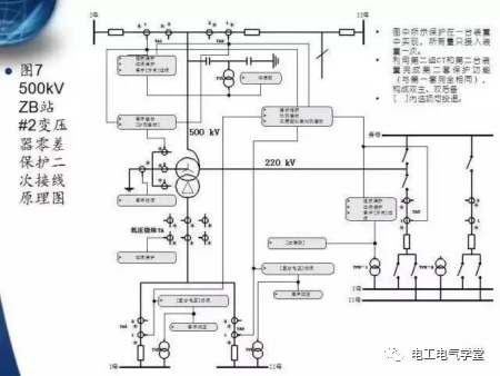
南瑞变压器保护装置说明书 知识收藏 变压器 电抗器的差动试验及电流互感器的正确接线...
自耦变压器在图纸中如何表示,并能给在下解释一下,工作原理,谢谢
一文了解电子变压器原理及优缺点
一文了解电子变压器原理及优缺点
变压器一次侧为什么还会有电流,有没有理论解释,因为外部电压和一次感应电动势方向相反,大小相等了 为
区间逻辑检查设备原理 维护及故障处理
谁知道怎么看下面的电气原理图,看不懂啊 需要看哪方面的书籍啊 谁给讲下图的原理啊
J 2425型变压器原理说明书
变压器设计人员必备 行业畅销工具书 变压器设计手册


















