摄影形成的原理是什么意思_彩虹形成的原理是什么(2)
原理图集原理 2025-03-03 02:28
论文浅尝 基于常识知识图谱感知和图注意力机制的对话生成
爱好摄影的小权同学.探究了 凸透镜成像规律 后.对如图所示的两张同一个场景的两张照片产生了浓厚的探究兴趣.结合你学到的物理知识.请你帮助小权同学提出一个可以探究的科学问题
二 智能LED照明系统与传感技术简述
热力环流形成的原理 画图 海陆风 山谷风 城市郊区风
即食即热 型快餐适合外出旅行使用.小新和小意对它的原理产生浓厚的兴趣,于是进行了如下探究 初步
浅析氯化钠成核结晶的非经典路径
中国科学家阐明比目鱼类起源及其独特体型的形成机制
天然生物地球电池效应 形成机制及生态学意义
天然生物地球电池效应 形成机制及生态学意义
读地震波速度与地球内部构造图.回答问题. 1 从图中可以看出.地球内部分为地壳. .地核三层.主要是依据 的研究.即地震波在地面以下传播的 不是固定不变的.而是有规律变化的
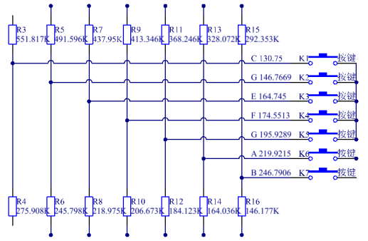
2019年科协第二次硬件培训总结
人民币对美元昨首度 破7
原子线性光谱的产生机理及其物理意义浅析
运用化学反应原理研究氮.硫.氯.碘等单质及其化合物的反应有重要意义. 1 硫酸生产中.SO2催化氧化生成SO3,2SO2 g O2 g 2SO3 g .混合体系中SO3的百分含量和温度的关系如下图所









