蚊虫灯什么原理_蚊虫叮咬红肿用什么药
原理图集原理 2025-03-03 17:17
Mosquito Zapper Lantern户外LED灯 照明又杀蚊虫
户外LED灯 既能照明又能杀蚊虫
驱蚊灯是什么原理,如何挑选
驱蚊灯原理 原来是这样消灭蚊子的
雷达 电热蚊香液智能加热器 68晚无香型套装 1器 34毫升 盒
宝贝驱蚊,这些热门驱蚊产品和偏方,靠谱吗
告别嗡嗡嗡,遇见即消灭,面对烦人的蚊子,你将如何
电子灭蚊器品牌,电子灭蚊器使用方法,电子灭蚊器种类,电子灭蚊器管用吗 齐家网
家用电击灭蝇器捕蚊灯餐厅
闪光灯什么牌子好
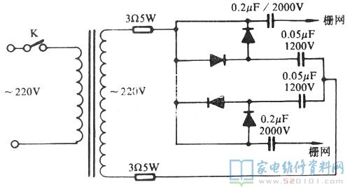
一款捕蚊灯电路原理与维修
安全网关图片
我是这样设计的2014 工业设计 用户体验 设计元素
价格 图片 品牌 怎么样 元珍商城
店庆大促 因为晚入它几天,我已经好几晚没合眼了 不是矫情
佳发明榜单的激光灭蚊炮
灭蚊灯的电路原理与维修
夏天蚊子叮咬睡不着,蚊香有毒,试试这种安全方法,无毒环保
无噪音 无毒无害,这个灭蚊神器仅59元,还能当手电筒用
无噪音 无毒无害,这个灭蚊神器仅59元,还能当手电筒用
无噪音 无毒无害,这个灭蚊神器仅59元,还能当手电筒用



















